行业新闻

恒流源电路模块设计

 

恒流源是能够向负载提供恒定电流的电源,因此恒流源的应用范围非常广泛,并且在许多情况下是必不可少的。例如在用通常的充电器对蓄电池充电时,随着蓄电池端电压的逐渐升高,充电电流就会相应减少。为了保证恒流充电,必须随时提高充电器的输出电压,但采用恒流源充电后就可以不必调整其输出电压,从而使劳动强度降低,生产效率得到了提高。恒流源还被广泛用于测量电路中,例如电阻器阻值的测量和分级,电缆电阻的测量等,且电流越稳定,测量就越准确。

 

采用开关电源的开关恒流源

 

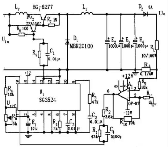
采用开关电源的开关恒流源电路构成如下图所示。BG1为开关管,BG2为驱动管, RL为负载电阻, RS为取样电 阻, SG35 24为脉宽调制控制器, L1、E2、E3、E4为储能元件, RW提供基准电压Uref。图采用开关电源的开关恒流源工作原理:减小开关器件的导通损耗和开关损耗是提高电路效率的关键。为此,器件选择饱和压降小、频率特性好的开关三极管和肖特基续流二极管。

 

1.jpg 

 

扼流圈L1的磁芯上再绕一个附加线圈,利用电磁反馈降低开关三极管的饱和压降,并采用合理的结构设计,使电路的分布参数得到有效的控制。当电源电压降低或负载电阻RL 降低时,则取样电阻RS 上的电压也将减少,则SG3524的12、13管脚输出方波的占空比增大,从而使BG1导通时间变长,使电压U0回升到原来的稳定值。BG1关断后,储能元件L1、E2、E3、E4保证负载上的电压不变。当输入电源电压增大或负载电阻值增大引起U0增大时,原理与前类同,电路通过闭环反馈系统使U0下降到原来的稳定值,从而达到稳定负载电流IL 的目的。

 

采用集成稳压器构成的开关恒流源

 

采用集成稳压器构成的开关恒流源 电路构成如图所示。MC7805为三端固定式集成稳压器,RL 为负载电阻,RW为可调电阻器。工作原理:固定式集成稳压器工作在悬浮状态,在输出端2和公共端3之间接入一电位器RW,从而形成一固定恒流源。调节RW,可以改变电流的大小,其输出电流为:IL=( Uout/RW) +Iq式中Iq 为MC7805的静态电流,小于10m A。当RW较小即输出电流较大时,可以忽略Iq。当负载电阻RL 变化时,MC7 8 05用改变自身压差来维持通过负载的电流不变。

 

2.jpg 

 

RW 的确定:RW 的值可由RW=Uout/IL 确定。因Uout=5 V,IL=0.5~2A,因此确定的取值范围为2.5~10Ω。输出电压和负载变化范围的确定:根据设计要求,本例的输出电压U0=10V。由于恒流源的输出电流可调范围为0.5~2A,因此相应的负载变化范围为5~20Ω。以上几种恒流源结构简单,可靠性高,调整方便,在科研中已得到了应用。其中线性恒流源适用于蓄电池的恒流放电,开关恒流源适用于蓄电池的恒流充电,集成稳压器构成的恒流源适用于电阻测量等。

 

压控恒流源电路设计

 

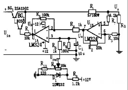
压控恒流源电路设计 压控恒流源是系统的重要组成部分,它的功能是用电压来控制电流的变化,由于系统对输出电流大小和精度的要求比较高,所以选好压控恒流源电路显得特别重要。采用如下电路:电路原理图如下图所示。该恒流源电路由运算放大器、大功率场效应管Q1、采样电阻R2、负载电阻RL等组成1、硬件设计。

 

3.jpg 

 

电路中调整管采用大功率场效应管IRF640。采用场效应管,更易于实现电压线性控制电流,既能满足输出电流大达到2A的要求,也能较好地实现电压近似线性地控制电流。因为当场效应管工作于饱和区时,漏电流Id近似为电压Ugs控制的电流。即当Ud为常数时,满足:Id=f(Ugs),只要Ugs不变,Id就不变。在此电路中,R2为取样电阻,采用康铜丝绕制(阻值随温度的变化较小),阻值为0.35欧。运放采用OP-07作为电压跟随器, UI=Up=Un,场效应管Id=Is(栅极电流相对很小,可忽略不计) 所以Io=Is= Un/R2= UI/R2。正因为Io=UI/R2,电路输入电压UI控制电流Io,即Io不随RL的变化而变化, 从而实现压控恒流。同时,由设计要求可知:由于输出电压变化的范围U〈=10V,Iomax=2A,可以得出负载电阻RLmax=5欧。

 

电源电路设计

 

本系统对电源有较高的要求。设计电源时既要保证电源的高稳定度,也要保证电源能输出大于2A的电流,故本系统采用三级管1264来扩流而且在使用电源时必须充分考虑电源的效率。电源电路如图所示,此电源电路采用了LM317和LM337,其输出电压是连续可调的,输出电压调到为+15V和-15V来供给硬件电路使用,其中-15V的电源是供运放使用的,不需要扩流;而+15V的电源的负载电流要求不低于2A,所以采用三级1264来扩流。另外用LM7805产生+5V的电压供凌阳SPCE061A单片机使用。

 

4.jpg 

 

线性恒流源、开关恒流源,可靠性高,调整方便,在科研中已得到了应用。其中线性恒流源适用于蓄电池的恒流放电,开关恒流源适用于蓄电池的恒流充电,集成稳压器构成的恒流源适用于电阻测量等。SPCE061A单片机作为中央控制器,本系统有功能强、性能可靠、体积小、电路简单的特点。本系统小可步进1mA ,精度也比较高。输出电流范围较宽。,硬件部分中采样电阻的热稳定性要较好,硬件中的核心模块为压控恒流源,其核心元件采用场效应管其性能和稳定性均高于三极管。


版权声明:

本站发布的有些文章部分内容来源于互联网。如有侵权,请联系我们,我们会尽快删除。

导航栏目

联系我们

联系人:张总

手机:18016426289

电话:18016426289

邮箱:26586601@qq.com

地址: 上海市青浦区北青公路6588号