行业新闻

开关电源的过流保护电路

众所周知,当的输出端超过额定负载或短路时,会对开关电源造成损坏,以至造成系统不能正常工作。针对于此我们在设计开关电源时要对产品进行限流保护设计。那么方法很多,我们可以将他设计到开关电源的输入端或者设计到开关电源的输出端。要达到佳的设计方法就要以实际的情况而定,以下几种方法都是常用的电流控制方法:

 

1)     初级参考直接驱动方式的开关电源可设计到输入端,如下图所示

 

1.png 

图一

 

图中两种电路的工作原理是:

 

(a) 图:在输出端有过载或短路情况发生时,此时初级电流会很快的增加,Rsc上的就会产生电压,此电压超过B-E的导通电压,那么Q2就会导通,就会把Q2集电极电位拉到地,如果接的是震荡电路此时就会导至震荡电路停止工作,从而达到保护的目的。

 

Rsc的取值是:Rsc=Vbe/Ip

 

(b)图中的电路是一种常用的限流保护电路,在反击或者正激电路中受到设计者的欢迎。他的工作过程和(a)图的工作过程有些类似,但是他有些很好的优点,首先,比较器的电流限制激发临限电压可预制到一个精确的且可预制的准位上,这就相当于双极性三极管有较大Vbe电压范围的临限电压值, 其次是此临限电压足够的小,基本上是100MV和200MV,因此电流限制电组就可较小,这样就可以提高效率。

 

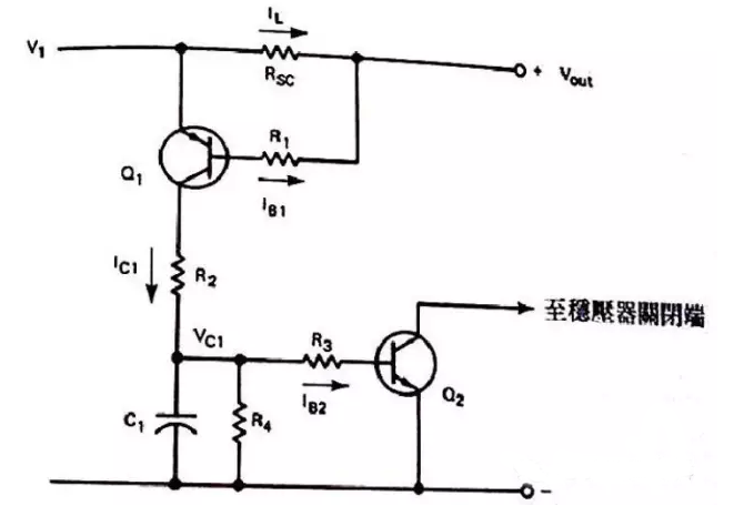
2)     应用在基极驱动器的电流限制电路

 

2.png 

 

上图所画的电流限制电路图适合于各种电路的开关电源供应器。此种电路的输出部分是与控制电路共地的。

 

工作原理是:在正常的工作情况下,流入到Rsc上的Il不会产生很大的压降,那么就不会使Q1导通,若负载电流足够大就会在Rsc上产生电压,使Q1导通。若Q1在OFF装态时,而且Ic1=0时C1会全部放电掉,因此Q2也会处于OFF状态,如果Il电流逐渐增加时,则Il*Rsc=VbeQ1+Ib1R1,此时会集电极会有电流Ic1流过,并有下面的时间常数将C1充电 T=R2*C1,那么C1上的电压是: Vc1=Ib2R3+VbeQ2,为了使为了使电容器电压的负载效应减到低值,我们可选用具有较高的HFE的达林凳管子来代替Q2,这样可以把基极电流限制在微安培,我门在选择电阻R4时要远远大于R3。这样当电流过载时,C1电容会快速放电。

 

R2的取值如下:

 

IBL=(V1-VBEQ1)/R1

 

而且Ic1=HfeQ1IBLMAX

 

所以,R2>=(V1-VCEMAX)R1/(V1-VBEQ1)

 

在适当的电路设计上,VCE能够快速的到达其电压值,并将Q2三极管偏压到导通状态,这样一来就可以关闭稳压器的驱动信号。当过载除去后,电路会自动恢复到工作状态。如果使用具有固定电流限制比较器的IC PWM 控制电路,则图一B的电路,我们将电流限制电阻器RSC放到输出的正端上,就能获的良好的电流限制效果。

 

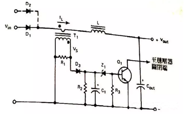
以上这两种方法在检测电流情况都工作良好。但是功率电阻器RSC的存在可能会变成不受欢迎的,尤其是在高电流输出下会造成功率的消耗,影响到整机的效率。真对于次会有另一种方法来克服这种问题。那就是用变压器来检测过电流。并且电路中无消耗功率的元器件,如图所示

 

3.png 

 

工作原理是:T1用来检测负载电流IL,因此电阻R1会有成比例的电压产生。D3为整流二极管,R3 C1整流后的滤波电路,若电流过载发生时,电容器C1上的电压会增加到稳压二极管Z1的导通电压,此时三极管Q1会导通,因此Q1集电极上的信号可以关闭稳压器的驱动信号。

 

要注意的是:T1的设计,材料的选择要用陶铁磁和MPP的环形铁芯,但是铁芯不能工作在饱和状态, 圈数的设计:初级圈数一般选一圈,次级圈数的选择右次级的电压所决定, NP/NS=IS/IP

 

由于IR=VS/R1

 

因此在大指定负载电流IC情况下,次级圈数必须能在电容器C1上产生所期望的电压值,所以 NS=NP*IRR1/(Vs+Vd3)

 

至此我门就可以绕制一个精确的变压器,而在实际的电路测试上必须在圈数上稍做调整,以便能做到佳的性能。

 

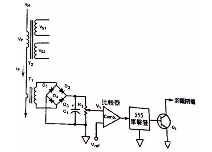
还有一种电流限制电路:如图所示

 

不管是放在电源的输入端或是输出端部分都能做到叫好的效果,同样的此电路也能适合于多路输出的电源供应器,但是有一点,对于多组输出要使的各个电流限制能达到其作用,要用一番工夫,

 

4.png 

 

上图的工作原理是:

 

T1用来检测T2 的初级电流,T1 后经二极管整流后电容滤波,可变电阻R1用来设定比较器输入端的临限电压,在正长工作情况下,比较器的Vref参考输入端电压会高于电卫器R1上的电压,此时比较器的输出会在高电平,此时的555IC(单激多谐振荡器)会有低电平的输出,使Q1保持在关闭状态。

 

如果过载发生时,电压V1会高于VREF,使的比较器在底电位,IC555输入端由高电位至底电位的转换过程,会在IC555输出端产生单激输出,而将Q1 ON,C极连到关闭的输入端或是PWM电路的柔和启动电容器上,所以会牵引到地电平。而终止了输出转换脉波,并将稳压器关闭, 如果过栽情况持续着,电源会处于打嗝状态中,就是它会以IC555单激RC时间常数的周期在ON 与OFF状态之间,不停的转换,直到过载去除后,电路才会恢复恢复到正常状态中,变压器设计同上一节。


版权声明:

本站发布的有些文章部分内容来源于互联网。如有侵权,请联系我们,我们会尽快删除。

导航栏目

联系我们

联系人:张总

手机:18016426289

电话:18016426289

邮箱:26586601@qq.com

地址: 上海市青浦区北青公路6588号