行业新闻

开关电源保护电路的研究

评价的质量指标应该是以安全性、可靠性为原则。在电气技术指标满足正常使用要求的条件下,为使电源在恶劣环境及突发故障情况下安全可靠地工作,必须设计多种保护电路,比如防浪涌的软启动,防过压、欠压、过热、过流、短路、缺相等保护电路。同时,在同一开关电源电路中,设计多种保护电路的相互关联和应注意的问题也要引起足够的重视。

 

防浪涌软启动电路

 

开关电源的输入电路大都采用电容滤波型整流电路,在进线电源合闸瞬间,由于电容器上的初始电压为零,电容器充电瞬间会形成很大的浪涌电流,特别是大功率开关电源,采用容量较大的滤波电容器,使浪涌电流达100A以上。在电源接通瞬间如此大的浪涌电流,重者往往会导致输入熔断器烧断或合闸开关的触点烧坏,整流桥过流损坏;轻者也会使空气开关合不上闸[4]。上述现象均会造成开关电源无法正常工作,为此几乎所有的开关电源都设置了防止流涌电流的软启动电路,以保证电源正常而可靠运行。防浪涌软启动电路通常有晶闸管保护法和继电器保护法两大类。

 

(1)晶闸管保护法

 

图1是采用晶闸管V和限流电阻R1组成的防浪涌电流电路。在电源接通瞬间,输入电压经整流桥(D1~D4)和限流电阻R1对电容器C充电,限制浪涌电流。当电容器C充电到约80%额定电压时,逆变器正常工作。经主变压器辅助绕组产生晶闸管的触发信号,使晶闸管导通并短路限流电阻R1,开关电源处于正常运行状态。

 

1.png 

 

图1采用晶闸管和限流电阻组成的防浪涌电流电路继电器保护法

 

(2)继电器保护法

 

2.png 

 

图2采用继电器K和限流电阻R1构成的防浪涌电流电路图3替代R2C2延迟电路

 

图2是采用继电器K和限流电阻R1构成的防浪涌电流电路。电源接通瞬间,输入电压经整流(D1~D4)和限流电阻R1对滤波电容器C1充电,防止接通瞬间的浪涌电流,同时辅助电源Vcc经电阻R2对并接于继电器K线包的电容器C2充电,当C2上的电压达到继电器K的动作电压时,K动作,其触点K1.1闭合而旁路限流电阻R1,电源进入正常运行状态。限流的延迟时间取决于时间常数(R2C2),通常选取为0.3~0.5s。为了提高延迟时间的准确性及防止继电器动作抖动振荡,延迟电路可采用图3所示电路替代R2C2延迟电路。

 

过压、欠压及过热保护电路

 

进线电源过压及欠压对开关电源造成的危害,主要表现在器件因承受的电压及电流能力超出正常使用的范围而损坏,同时因电气性能指标被破坏而不能满足要求。因此对输入电源的上限和下限要有所限制,为此采用过压、欠压保护以提高电源的可靠性和安全性。

 

温度是影响电源设备可靠性的重要因素。根据有关资料分析表明[5],电子元器件温度每升高2℃,可靠性下降10%,温升50℃时的工作寿命只有温升25℃时的1/6,为了避免功率器件过热造成损坏,在开关电源中亦需要设置过热保护电路。

 

3.png 

 

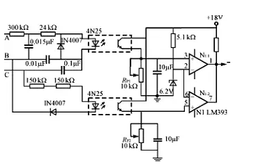
图4 过压、欠压、过热保护电路

 

图4是仅用一个4比较器LM339及几个分立元器件构成的过压、欠压、过热保护电路。取样电压可以直接从辅助控制电源整流滤波后取得,它反映输入电源电压的变化,比较器共用一个基准电压,N1.1为欠压比较器,N1.2为过压比较器,调整R1可以调节过、欠压的动作阈值。N1.3为过热比较器,RT为负温度系数的热敏电阻,它与R7构成分压器,紧贴于功率开关器件IGBT的表面,温度升高时,RT阻值下降,适当选取R7的阻值,使N1.3在设定的温度阈值动作。N1.4用于外部故障应急关机,当其正向端输入低电平时,比较器输出低电平封锁PWM驱动信号。由于4个比较器的输出端是并联的,无论是过压、欠压、过热任何一种故障发生,比较器输出低电平,封锁驱动信号使电源停止工作,实现保护。如将电路稍加变动,亦可使比较器输出高电平封锁驱动信号。

 

缺相保护电路

 

由于电网自身原因或电源输入接线不可靠,开关电源有时会出现缺相运行的情况,且掉相运行不易被及时发现。当电源处于缺相运行时,整流桥某一臂无电流,而其它臂会严重过流造成损坏,同时使逆变器工作出现异常,因此,必须对缺相进行保护。检测电网缺相通常采用电流互感器或电子缺相检测电路。由于电流互感器检测成本高、体积大,故开关电源中一般采用电子缺相保护电路。图5是一个简单的缺相保护电路。三相平衡时,R1~R3结点H电位很低,光耦合输出近似为零电平。当缺相时,H点电位抬高,光耦输出高电平,经比较器进行比较,输出低电平,封锁驱动信号。比较器的基准可调,以便调节缺相动作阈值。该缺相保护适用于三相四线制,而不适用于三相三线制。电路稍加变动,亦可用高电平封锁PWM信号。

 

4.png 

 

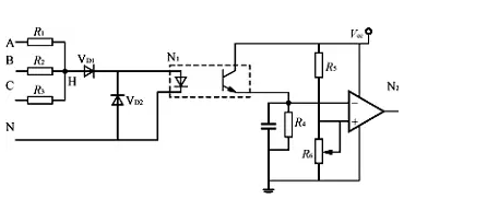
图5三相四线制的缺相保护电路

 

图6是一种用于三相三线制电源缺相保护电路,A、B、C缺任何一相,光耦器输出电平低于比较器的反相输入端的基准电压,比较器输出低电平,封锁PWM驱动信号,关闭电源。比较器输入极性稍加变动,亦可用高电平封锁PWM信号。这种缺相保护电路采用光耦隔离强电,安全可靠,RP1、RP2用于调节缺相保护动作阈值。

 

5.png 

 

图6 三相三线制的缺相保护电路

 

短路保护

 

开关电源同其它电子装置一样,短路是严重的故障,短路保护是否可靠,是影响开关电源可靠性的重要因素。IGBT(绝缘栅双极型晶体管)兼有场效应晶体管输入阻抗高、驱动功率小和双极型晶体管电压、电流容量大及管压降低的特点,是目前中、大功率开关电源普遍使用的电力电子开关器件。IGBT能够承受的短路时间取决于它的饱和压降和短路电流的大小,一般仅为几μs至几十μs。短路电流过大不仅使短路承受时间缩短,而且使关断时电流下降率 过大,由于漏感及引线电感的存在,导致IGBT集电极过电压,该过电压可使IGBT锁定失效,同时高的过电压会使IGBT击穿。因此,当出现短路过流时,必须采取有效的保护措施。

 

为了实现IGBT的短路保护,则必须进行过流检测。适用IGBT过流检测的方法,通常是采用霍尔电流传感器直接检测IGBT的电流Ic,然后与设定的阈值比较,用比较器的输出去控制驱动信号的关断;或者采用间接电压法,检测过流时IGBT的电压降Vce,因为管压降含有短路电流信息,过流时Vce增大,且基本上为线性关系,检测过流时的Vce并与设定的阈值进行比较,比较器的输出控制驱动电路的关断。

 

在短路电流出现时,为了避免关断电流的 过大形成过电压,导致IGBT锁定无效和损坏,以及为了降低电磁干扰,通常采用软降栅压和软关断综合保护技术。

 

在设计降栅压保护电路时,要正确选择降栅压幅度和速度,如果降栅压幅度大(比如7.5V),降栅压速度不要太快,一般可采用2μs下降时间的软降栅压,由于降栅压幅度大,集电极电流已经较小,在故障状态封锁栅极可快些,不必采用软关断;如果降栅压幅度较小(比如5V以下),降栅速度可快些,而封锁栅压的速度必须慢,即采用软关断,以避免过电压发生。

 

为了使电源在短路故障状态不中断工作,又能避免在原工作频率下连续进行短路保护产生热积累而造成IGBT损坏,采用降栅压保护即可不必在一次短路保护立即封锁电路,而使工作频率降低(比如1Hz左右),形成间歇“打嗝”的保护方法,故障消除后即恢复正常工作。下面是几种IGBT短路保护的实用电路及工作原理。

 

(1)利用IGBT的Vce设计过流保护电路

 

6.png 

 

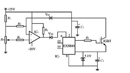
图7 采用IGBT过流时Vce增大的原理进行保护

 

图7是利用IGBT过流时Vce增大的原理进行保护的电路,用于专用驱动器EXB841。EXB841内部电路能很好地完成降栅及软关断,并具有内部延迟功能,以消除干扰产生的误动作。含有IGBT过流信息的Vce不直接送至EXB841的集电极电压监视脚6,而是经快速恢复二极管VD1,通过比较器IC1输出接至EXB841的脚6,其目的是为了消除VD1正向压降随电流不同而异,采用阈值比较器,提高电流检测的准确性。如果发生过流,驱动器EXB841的低速切断电路慢速关断IGBT,以避免集电极电流尖峰脉冲损坏IGBT器件。

 

(2)利用电流传感器设计过流保护电路

 

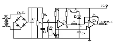
7.png 

 

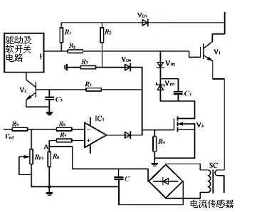
(a)   利用电流传感器设计过流保护电路

 

8.png 

 

(b)利用电流传感器进行过流保护电路

 

控制电路的输出驱动波形图

 

图8利用电流传感器进行过流保护

 

图8(a)是利用电流传感器进行过流检测的IGBT保护电路,电流传感器(SC)初级(1匝)串接在IGBT的集电极电路中,次级感应的过流信号经整流后送至比较器IC1的同相输入端,与反相端的基准电压进行比较,IC1的输出送至具有正反馈的比较器IC2,其输出接至PWM控制器UC3525的输出控制脚10。不过流时,VAVref,VB为高电平,C3充电使VC>Vref,IC2输出高电平(大于1.4V),关闭PWM控制电路。因无驱动信号,IGBT关闭,而电源停止工作,电流传感器无电流流过,使VA参数,使PWM驱动信号关闭时间t2>>t1,可保证电源进入睡眠状态。正反馈电阻R7保证IC2只有高、低电平两种状态,D5,R1,C3充放电电路,保证IC2输出不致在高、低电平之间频繁变化,即IGBT不致频繁开通、关断而损坏。

 

综合过流保护电路

 

图9是利用IGBT(V1)过流集电极电压检测和电流传感器检测的综合保护电路,电路工作原理是:负载短路(或IGBT因其它故障过流)时,V1的Vce增大,V3门极驱动电流经R2,R3分压器使V3导通,IGBT栅极电压由VD3所限制而降压,限制IGBT峰值电流幅度,同时经R5C3延迟使V2导通,送去软关断信号。另一方面,在短路时经电流传感器检测短路电流,经比较器IC1输出的高电平使V3导通进行降栅压,V2导通进行软关断。

 

此外,还可以应用检测IGBT集电极电压的过流保护原理,采用软降栅压、软关断及降低工作频率保护技术的短路保护电路。开关电源保护功能虽属电源装置电气性能要求的附加功能,但在恶劣环境及意外事故条件下,保护电路是否完善并按预定设置工作,对电源装置的安全性和可靠性至关重要。验收技术指标时,应对保护功能进行验证。

 

开关电源的保护方案和电路结构具有多样性,但对具体电源装置而言,应选择合理的保护方案和电路结构,以使得在故障条件下真正有效地实现保护。

 

9.png 

 

图9综合过流保护电路

 

结束语

 

开关电源保护功能虽属电源装置电气性能要求的附加功能,但在恶劣环境及意外事故条件下,保护电路是否完善并按预定设置工作,对电源装置的安全性和可靠性至关重要。验收技术指标时,应对保护功能进行验证。

 

开关电源的保护方案和电路结构具有多样性,但对具体电源装置而言,应选择合理的保护方案和电路结构,以使得在故障条件下真正有效地实现保护。

 

开关电源保护电路设计完成后,必须先对开关电源进行老化实验,再验证各种保护电路的功能。


版权声明:

本站发布的有些文章部分内容来源于互联网。如有侵权,请联系我们,我们会尽快删除。

导航栏目

联系我们

联系人:张总

手机:18016426289

电话:18016426289

邮箱:26586601@qq.com

地址: 上海市青浦区北青公路6588号